TOOL CONFIGURATOR
SELECT BY
OEM
machine
Go

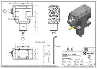
RRPFH 16 121UM45

RRPFH 16 121UM45

Machine Interface
M45
Drive Coupling
TENON
Tool Clamping
Ø 16
Toolholder Type
Driven tool
Toolholder Form
Radial 90°
Torque [Nm]
50
n2 max [rpm]
8000
i (n1:n2)
1:1 ↻ ↺
Coolant Supply
EC
Functional length [H]
65
Goodway
GLS-150, 200 M/Y (DIN1809 version)
Goodway
GLS-1500, 2000 M/LY/LMS/LYS
Goodway
GTS-150 MMX/XY (new turret version)
Goodway
GTW-1500
Miyano
ABX 51, 64 SY/TH2/TH3
Miyano
BND-51 C/S/SY
Miyano
BNE-34,51 S/SY/MSY, BNE-51,65 MYY
Miyano
BNJ 34,42,51 S/SY
Miyano
BNX 42,51 SY
Product
OEM part number
Tool Clamping
Coolant Supply
Transmission
Product
Tool Clamping
Coolant accessories
Driven Tools
Wrench for Spindle
Do you need more details about the product?
Fill the form below
I've read the Privacy Policy

Web page content is not binding and is provided for guidance only. Algra reserves the right, at any time and without notice, to make changes to its products for constructive or commercial needs.