TOOL CONFIGURATOR
SELECT BY
OEM
machine
Go

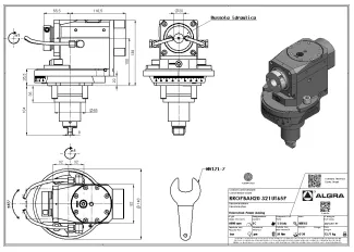
RROPBAH20 321UT65P

RROPBAH20 321UT65P

Machine Interface
BMT65
Drive Coupling
TENON
Tool Clamping
Ø 20
Toolholder Type
Driven tool
Toolholder Form
Power skiving
Torque [Nm]
50
n2 max [rpm]
6000
i (n1:n2)
1:1 ↻ ↻
Coolant Supply
EC
Functional length [H]
104
Prodotto
OEM part number
Tool Clamping
Coolant Supply
Transmission
Prodotto
Tool Clamping
Driven Tools
Do you need more details about the product?
Fill the form below
I've read the Privacy Policy

Web page content is not binding and is provided for guidance only. Algra reserves the right, at any time and without notice, to make changes to its products for constructive or commercial needs.