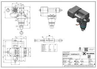
Machine Interface
TS65
Drive Coupling
TENON
Tool Clamping
Ø 1"
Toolholder Type
Driven tool
Toolholder Form
Gear Hobber
Torque [Nm]
80
n2 max [rpm]
3000
i (n1:n2)
2:1 ↻ ↻
Coolant Supply
EC
Functional length [H]
80
Tsugami
M06, M08 D/SD/SY, M10D
Product
OEM part number
Tool Clamping
Coolant Supply
Transmission
OEM part number
Tool Clamping
Ø 22
Coolant Supply
EC
Transmission
2:1 ↻ ↻
OEM part number
Tool Clamping
Ø 27
Coolant Supply
EC
Transmission
2:1 ↻ ↻
OEM part number
Tool Clamping
Ø 1-1/4"
Coolant Supply
EC
Transmission
2:1 ↻ ↻
OEM part number
Tool Clamping
Ø 16
Coolant Supply
EC
Transmission
2:1 ↻ ↻
OEM part number
Tool Clamping
Ø 3/4"
Coolant Supply
EC
Transmission
2:1 ↻ ↻
OEM part number
Tool Clamping
Ø 32
Coolant Supply
EC
Transmission
2:1 ↻ ↻
Product
Tool Clamping
Driven Tools
Tool Clamping
Gear Hobber shaft
Tool Clamping
Ø 3/4"
Tool Clamping
Ø 1"
Tool Clamping
Ø 1-1/4"
Tool Clamping
Ø 16
Tool Clamping
Ø 22
Tool Clamping
Ø 27
Tool Clamping
Ø 32
Do you need more details about the product?
Fill the form below